Artikelname: SCHALLDAMPFEREINHEIT 1 (MUFFLER ASSY 1)
Hersteller: Yamaha
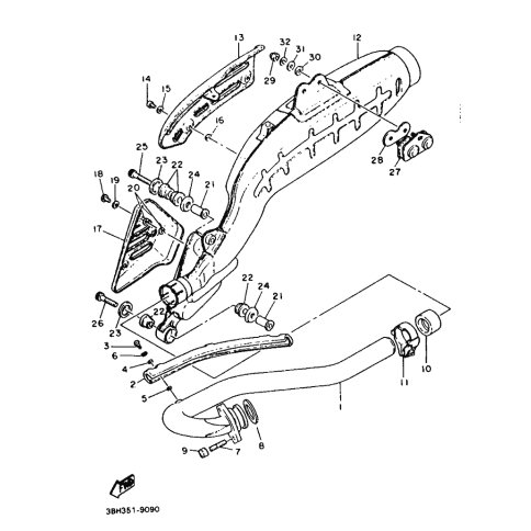
OEM Nummer: 1U6-14710-11 (1U61471011)
Kategorien: Auspuff
1989
XT500
1986
XT500
Yamaha Motor Co., Ltd.
YAMAHA MOTOR EUROPE N.V.
Hansemannstraße 12, 41468 Neuss
Postfach 21 06 53, 41432 Neuss
Deutschland
https://global.yamaha-motor.com/
https://www.yamaha-motor.eu/de