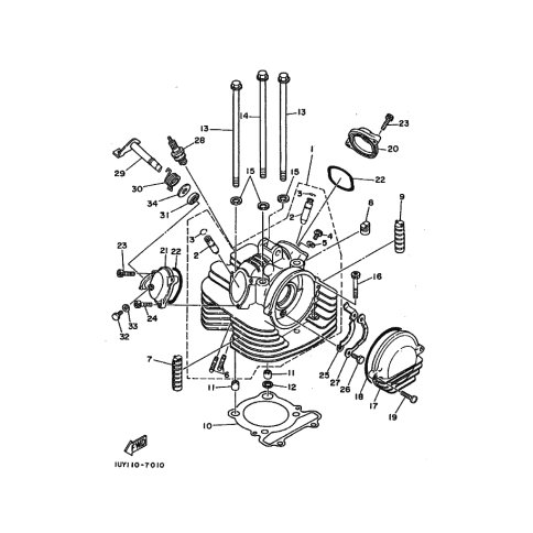
Artikelname: SEITENDECKEL, ZYLINDERKOPF (COVER, cylinder head side 2)
Hersteller: Yamaha
OEM Nummer: 1UY-11186-00 (1UY1118600)
Kategorien: Zylinderkopf
1988
WARRIOR (YFM350X)
Yamaha Motor Co., Ltd.
YAMAHA MOTOR EUROPE N.V.
Hansemannstraße 12, 41468 Neuss
Postfach 21 06 53, 41432 Neuss
Deutschland
https://global.yamaha-motor.com/
https://www.yamaha-motor.eu/de