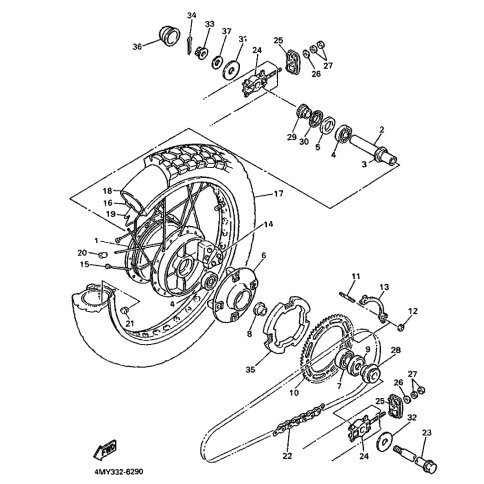
Artikelname: KUPPLUNG, NABE
Hersteller: Yamaha
OEM Nummer: 1VJ-25366-01-99 (1VJ253660199)
Kategorien: HINTERRAD
Yamaha Motor Co., Ltd.
YAMAHA MOTOR EUROPE N.V.
Hansemannstraße 12, 41468 Neuss
Postfach 21 06 53, 41432 Neuss
Deutschland
https://global.yamaha-motor.com/
https://www.yamaha-motor.eu/de