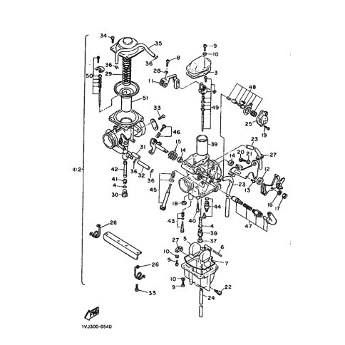
Artikelname: NADELSATZ (NEEDLE SET)
Hersteller: Yamaha
OEM Nummer: 1VK-1490J-00 (1VK1490J00)
Kategorien: Motor
1986
XT600Z
XT600ZS
Yamaha Motor Co., Ltd.
YAMAHA MOTOR EUROPE N.V.
Hansemannstraße 12, 41468 Neuss
Postfach 21 06 53, 41432 Neuss
Deutschland
https://global.yamaha-motor.com/
https://www.yamaha-motor.eu/de