Artikelname: SCHUBSTANGE 1 (ROD, PUSH 1)
Hersteller: Yamaha
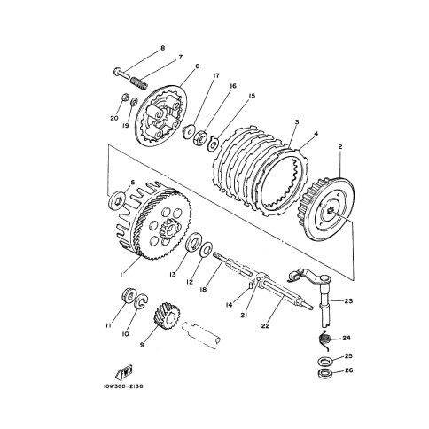
OEM Nummer: 1W1-16356-01 (1W11635601)
Kategorien: Kupplung, Kurbelgehäuse
1991
DT125MX
TZR125
TZR50
DT175
BLASTER (YFS200)
RD75LC
1990
TZR50
TZR125
BLASTER (YFS200)
DT125RE
DT125R
TZ50
1989
DT125R
DT125RE
TZR125
DT125MX
DT200R
1988
DT125R
DT200R
TDR80
TZR125
TDR50
1987
DT125
SDR
DT125R
DT125LC
TZR125
DT125-MX
1986
RD125LC
DT125
DT80LC
DT125LC
DT125-MX
IT200S
1985
DT125R
RZ50
Yamaha Motor Co., Ltd.
YAMAHA MOTOR EUROPE N.V.
Hansemannstraße 12, 41468 Neuss
Postfach 21 06 53, 41432 Neuss
Deutschland
https://global.yamaha-motor.com/
https://www.yamaha-motor.eu/de