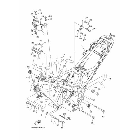
Artikelname: DAMPER 2 (DAMPER 2)
Hersteller: Yamaha
OEM Nummer: 1WD-F112C-00 (1WDF112C00)
Kategorien: Rahmen
2023
YZF-R3 (YZF320-A)
2022
YZF-R3 (YZF320-A)
2020
YZF-R3 (YZF320-A)
2019
YZF-R3 (YZF320-A)
2018
YZF-R3 (YZF-R3A)
2016
YZF-R3 (YZF-R3A)
2015
YZF-R3 (YZF-R3A)
Yamaha Motor Co., Ltd.
YAMAHA MOTOR EUROPE N.V.
Hansemannstraße 12, 41468 Neuss
Postfach 21 06 53, 41432 Neuss
Deutschland
https://global.yamaha-motor.com/
https://www.yamaha-motor.eu/de