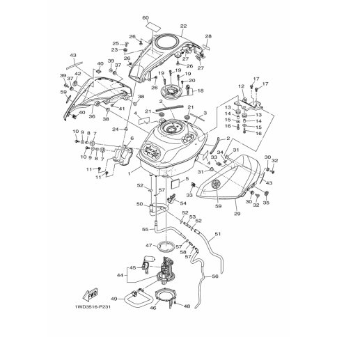
Artikelname: ROHR 5 (PIPE 5)
Hersteller: Yamaha
OEM Nummer: 1WD-F4315-00 (1WDF431500)
Kategorien: Tank
2016
YZF-R3 (YZF-R3A)
MT-03 (MTN320-A)
2015
YZF-R3 (YZF-R3A)
Yamaha Motor Co., Ltd.
YAMAHA MOTOR EUROPE N.V.
Hansemannstraße 12, 41468 Neuss
Postfach 21 06 53, 41432 Neuss
Deutschland
https://global.yamaha-motor.com/
https://www.yamaha-motor.eu/de