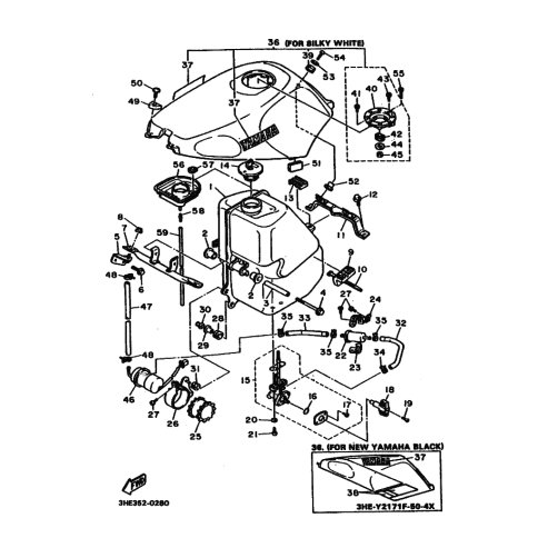
Artikelname: BAND 1 (BANDA 1)
Hersteller: Yamaha
OEM Nummer: 1WG-24398-00 (1WG2439800)
Kategorien: Tank
1990
GENESIS (FZR600)
Yamaha Motor Co., Ltd.
YAMAHA MOTOR EUROPE N.V.
Hansemannstraße 12, 41468 Neuss
Postfach 21 06 53, 41432 Neuss
Deutschland
https://global.yamaha-motor.com/
https://www.yamaha-motor.eu/de