Artikelname: GRAPHIC, 2 (GRAPHIC, 2)
Hersteller: Yamaha
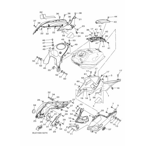
OEM Nummer: 1WS-217F2-30 (1WS217F230)
Kategorien: Tank 2
2017
MT-07 ABS (MT07A)
Yamaha Motor Co., Ltd.
YAMAHA MOTOR EUROPE N.V.
Hansemannstraße 12, 41468 Neuss
Postfach 21 06 53, 41432 Neuss
Deutschland
https://global.yamaha-motor.com/
https://www.yamaha-motor.eu/de