Artikelname: EMBLEM 1 (EMBLEM 1)
Hersteller: Yamaha
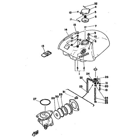
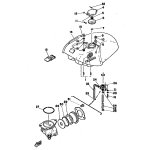
OEM Nummer: 1X2-24161-00 (1X22416100)
Kategorien: Tank
1979
TZ350F
Yamaha Motor Co., Ltd.
YAMAHA MOTOR EUROPE N.V.
Hansemannstraße 12, 41468 Neuss
Postfach 21 06 53, 41432 Neuss
Deutschland
https://global.yamaha-motor.com/
https://www.yamaha-motor.eu/de