Artikelname: SCHALTKONSOLE (BRACKET, SHIFTER)
Hersteller: Yamaha
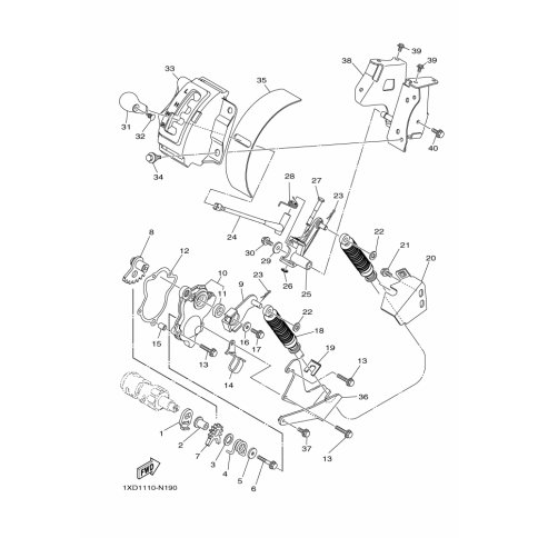
OEM Nummer: 1XD-18431-00 (1XD1843100)
Kategorien: Schaltwelle
2023
VIKING EPS (YXM700E)
2022
VIKING EPS (YXM700E)
2021
VIKING EPS (YXM700E)
2020
VIKING EPS (YXM700E)
2019
VIKING (YXM700E)
2018
VIKING (YXM700E)
2017
VIKING (YXM700E)
2016
VIKING (YXM700ES)
VIKING (YXM700E)
VIKING VI (YXC700E)
2015
VIKING VI (YXC700E)
VIKING (YXM700E)
VIKING (YXM700ES)
2014
VIKING (YXM700E)
VIKING EPS SE (YXM700ES)
Yamaha Motor Co., Ltd.
YAMAHA MOTOR EUROPE N.V.
Hansemannstraße 12, 41468 Neuss
Postfach 21 06 53, 41432 Neuss
Deutschland
https://global.yamaha-motor.com/
https://www.yamaha-motor.eu/de