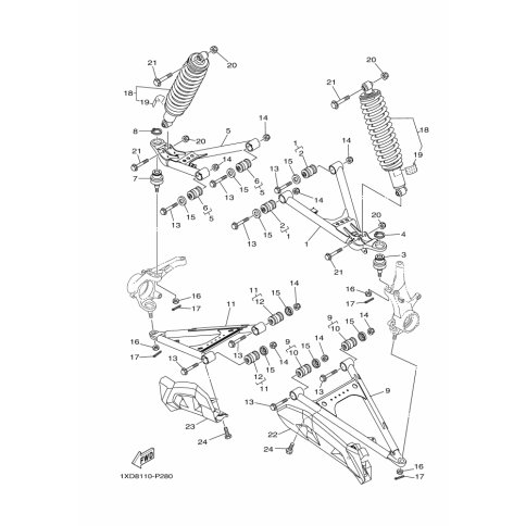
Artikelname: SHOCK ABSORBER ASSY 2
Hersteller: Yamaha
OEM Nummer: 1XD-F3390-11 (1XDF339011)
Kategorien: Federung & Rad
2020
VIKING EPS (YXM700E)
Yamaha Motor Co., Ltd.
YAMAHA MOTOR EUROPE N.V.
Hansemannstraße 12, 41468 Neuss
Postfach 21 06 53, 41432 Neuss
Deutschland
https://global.yamaha-motor.com/
https://www.yamaha-motor.eu/de