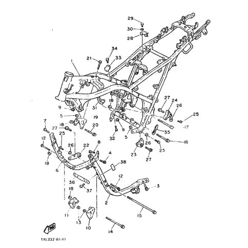
Artikelname: DOWN TUBE COMP (DOWN TUBE COMP)
Hersteller: Yamaha
OEM Nummer: 1XL-21140-00-MA (1XL2114000MA)
Kategorien: Rahmen
1986
SRX600
Yamaha Motor Co., Ltd.
YAMAHA MOTOR EUROPE N.V.
Hansemannstraße 12, 41468 Neuss
Postfach 21 06 53, 41432 Neuss
Deutschland
https://global.yamaha-motor.com/
https://www.yamaha-motor.eu/de