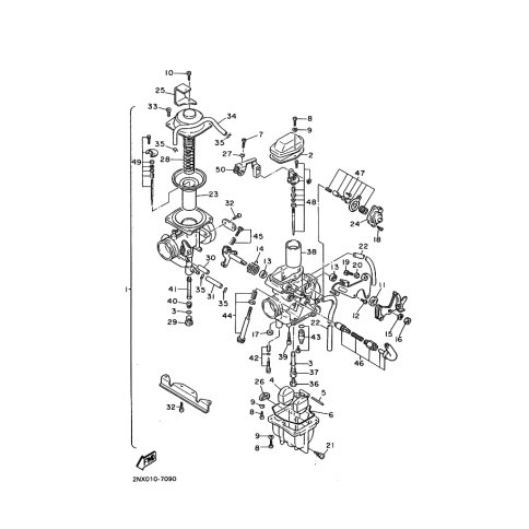
Artikelname: NADELSATZ (NEEDLE SET)
Hersteller: Yamaha
OEM Nummer: 1XN-1490J-10 (1XN1490J10)
Kategorien: Vergaser
1987
SRX600
Yamaha Motor Co., Ltd.
YAMAHA MOTOR EUROPE N.V.
Hansemannstraße 12, 41468 Neuss
Postfach 21 06 53, 41432 Neuss
Deutschland
https://global.yamaha-motor.com/
https://www.yamaha-motor.eu/de