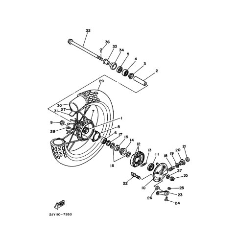
Artikelname: KUPPLUNG, INSTRUMENT (CLUTCH, METER)
Hersteller: Yamaha
OEM Nummer: 214-25149-00 (2142514900)
Kategorien: Vorderrad
1989
TW200E
Yamaha Motor Co., Ltd.
YAMAHA MOTOR EUROPE N.V.
Hansemannstraße 12, 41468 Neuss
Postfach 21 06 53, 41432 Neuss
Deutschland
https://global.yamaha-motor.com/
https://www.yamaha-motor.eu/de