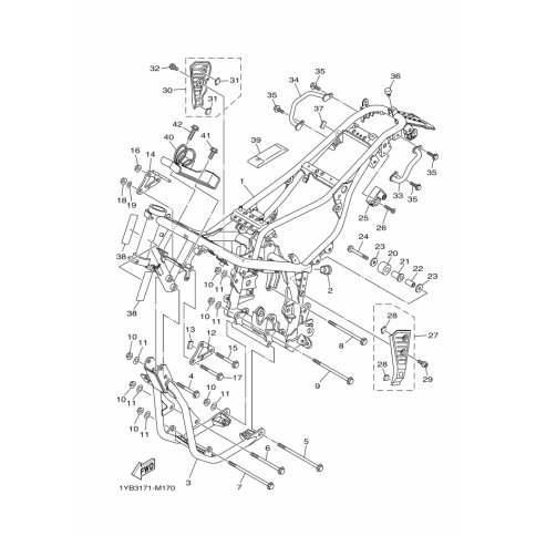
Artikelname: DAMPFER (DAMPER)
Hersteller: Yamaha
OEM Nummer: 22F-21746-01 (22F2174601)
Kategorien: Kühlung 1, Seitendeckel, Rahmen
2002
THUNDERCAT (YZF600R)
2001
THUNDERCAT (YZF600R)
2000
THUNDERCAT (YZF600R)
1999
THUNDERCAT (YZF600R)
1998
YZF (YZF600R)
THUNDERCAT (YZF600R)
XVS650
1997
DRAGSTAR 650 (XVS650)
THUNDERCAT (YZF600R)
1986
T80
T50
Yamaha Motor Co., Ltd.
YAMAHA MOTOR EUROPE N.V.
Hansemannstraße 12, 41468 Neuss
Postfach 21 06 53, 41432 Neuss
Deutschland
https://global.yamaha-motor.com/
https://www.yamaha-motor.eu/de