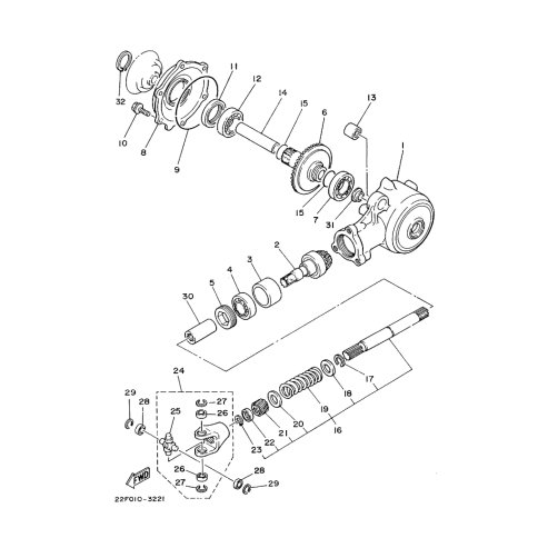
Artikelname: WELLENANTRIEB KOMPL (????,?????????)
Hersteller: Yamaha
OEM Nummer: 22F-46171-00 (22F4617100)
Kategorien: Antriebswelle
1983
TOWN MATE (T80D)
T80
TOWN MATE (T80ED)
Yamaha Motor Co., Ltd.
YAMAHA MOTOR EUROPE N.V.
Hansemannstraße 12, 41468 Neuss
Postfach 21 06 53, 41432 Neuss
Deutschland
https://global.yamaha-motor.com/
https://www.yamaha-motor.eu/de