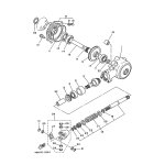
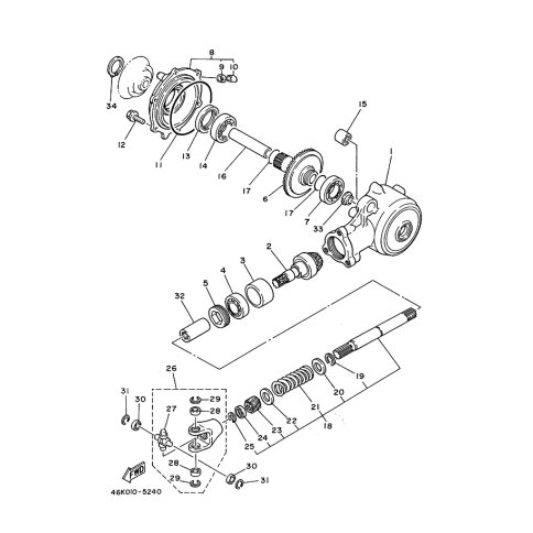
Artikelname: WELLENANTRIEB KOMPL (SHAFT DRIVE ASSY)
Hersteller: Yamaha
OEM Nummer: 22F-46171-01 (22F4617101)
Kategorien: Antriebswelle
1986
T80
T50
Yamaha Motor Co., Ltd.
YAMAHA MOTOR EUROPE N.V.
Hansemannstraße 12, 41468 Neuss
Postfach 21 06 53, 41432 Neuss
Deutschland
https://global.yamaha-motor.com/
https://www.yamaha-motor.eu/de