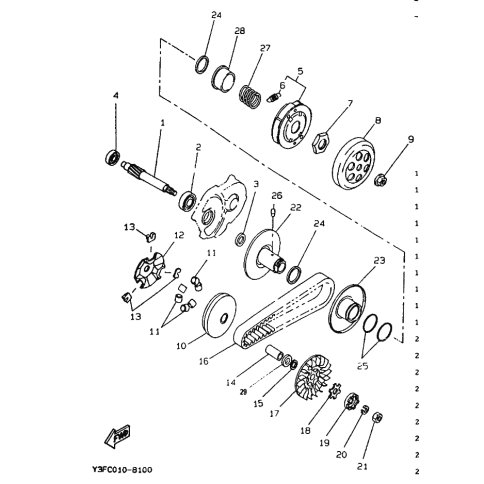
Artikelname: KUPPLUNGSGEHAUSE KOMPL (CARTER D'EMBRAYAGE COMPLET)
Hersteller: Yamaha
OEM Nummer: 24G-16611-03-01 (24G166110301)
Kategorien: Allgemein, Kupplung
1994
BW'S (CW65)
1992
BOOSTER (CW50)
Yamaha Motor Co., Ltd.
YAMAHA MOTOR EUROPE N.V.
Hansemannstraße 12, 41468 Neuss
Postfach 21 06 53, 41432 Neuss
Deutschland
https://global.yamaha-motor.com/
https://www.yamaha-motor.eu/de