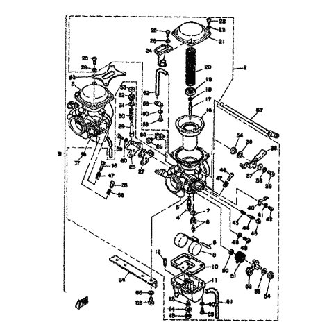
Artikelname: HAUPTDUSE (JET, MAIN)
Information: UR
Hersteller: Yamaha
OEM Nummer: 256-14944-75 (2561494475)
Kategorien: Vergaser
1976
XS500
Yamaha Motor Co., Ltd.
YAMAHA MOTOR EUROPE N.V.
Hansemannstraße 12, 41468 Neuss
Postfach 21 06 53, 41432 Neuss
Deutschland
https://global.yamaha-motor.com/
https://www.yamaha-motor.eu/de