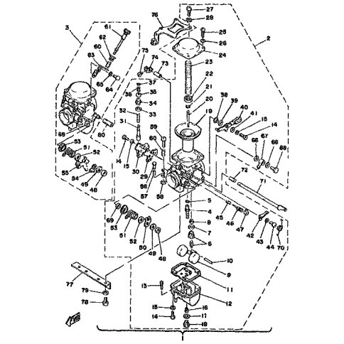
Artikelname: JET,MAIN (#120)
Hersteller: Yamaha
OEM Nummer: 256-24944-24 (256249442400)
Kategorien: VERGASER
Yamaha Motor Co., Ltd.
YAMAHA MOTOR EUROPE N.V.
Hansemannstraße 12, 41468 Neuss
Postfach 21 06 53, 41432 Neuss
Deutschland
https://global.yamaha-motor.com/
https://www.yamaha-motor.eu/de