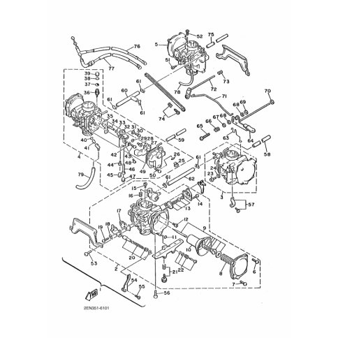
Artikelname: HAUPTZERSTAUBER (NOZZLE, MAIN)
Hersteller: Yamaha
OEM Nummer: 26H-14941-90 (26H1494190)
Kategorien: Vergaser
2003
VMAX 1200 (VMX12)
2002
VMAX 1200 (VMX12)
2001
VMAX 1200 (VMX12)
2000
VMAX 1200 (VMX12)
1998
VMAX 1200 (VMAX12)
1997
VMAX 1200 (VMX12)
1996
VMAX 1200 (VMAX12)
VMAX 1200 (VMX12)
1994
VMAX 1200 (VMX12)
1993
VMAX 1200 (VMX12)
VMAX 1200 (VMAX12)
1992
VMX1200
VMAX 1200 (VMX12)
1991
VENTURE ROYAL (XVZ13TD)
VMAX 1200 (VMX12)
VMAX 1200 (VMAX12)
1990
VENTURE ROYAL (XVZ13TD)
VMAX 1200 (VMX12)
VMAX 1200 (VMAX12)
1989
VENTURE ROYAL (XVZ13TD)
1988
VENTURE ROYAL (XVZ12TD)
VMX1200
Yamaha Motor Co., Ltd.
YAMAHA MOTOR EUROPE N.V.
Hansemannstraße 12, 41468 Neuss
Postfach 21 06 53, 41432 Neuss
Deutschland
https://global.yamaha-motor.com/
https://www.yamaha-motor.eu/de