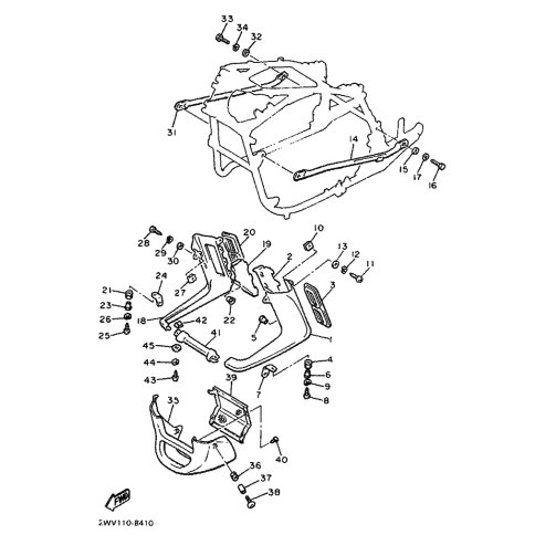
Artikelname: KAROSSERIE, V. UNTEN 1 (BODY, FRONT UNDER 1)
Hersteller: Yamaha
OEM Nummer: 26H-2835J-01-KM (26H2835J01KM)
Kategorien: Kühlung 3
1991
VENTURE ROYAL (XVZ13TD)
Yamaha Motor Co., Ltd.
YAMAHA MOTOR EUROPE N.V.
Hansemannstraße 12, 41468 Neuss
Postfach 21 06 53, 41432 Neuss
Deutschland
https://global.yamaha-motor.com/
https://www.yamaha-motor.eu/de