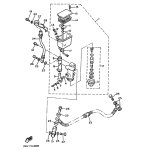
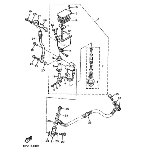
Artikelname: HAUPTBREMSZYLINDERSATZ (CYLINDER KIT, MASTER)
Hersteller: Yamaha
OEM Nummer: 26H-W0041-50 (26HW004150)
Kategorien: Hauptbremszylinder
1988
VENTURE ROYAL (XVZ12TD)
Yamaha Motor Co., Ltd.
YAMAHA MOTOR EUROPE N.V.
Hansemannstraße 12, 41468 Neuss
Postfach 21 06 53, 41432 Neuss
Deutschland
https://global.yamaha-motor.com/
https://www.yamaha-motor.eu/de