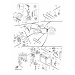
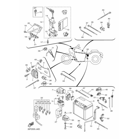
Artikelname: KABELBAUM KOMPL (WIRE HARNESS ASSY)
Hersteller: Yamaha
OEM Nummer: 26P-82590-20 (26P8259020)
Kategorien: Elektrik 2
2012
XVS950A (XVS950A)
Yamaha Motor Co., Ltd.
YAMAHA MOTOR EUROPE N.V.
Hansemannstraße 12, 41468 Neuss
Postfach 21 06 53, 41432 Neuss
Deutschland
https://global.yamaha-motor.com/
https://www.yamaha-motor.eu/de