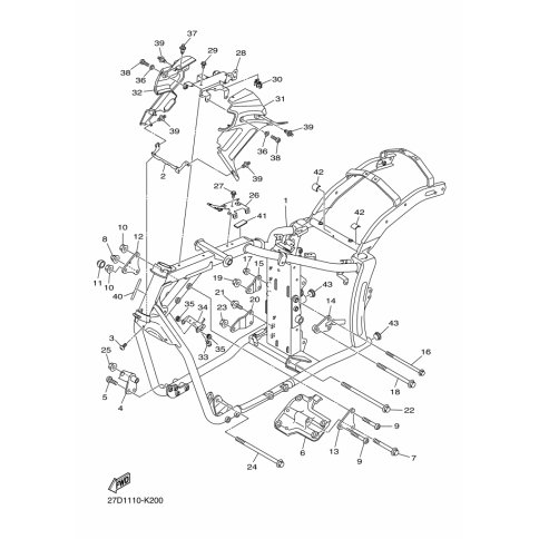
Artikelname: KONSOLE, SPULE (BRACKET, COIL)
Hersteller: Yamaha
OEM Nummer: 27D-21359-00 (27D2135900)
Kategorien: Rahmen
2016
XVS1300 CUSTOM (XVS1300CU)
2015
XVS1300 CUSTOM (XVS1300CU)
2014
XVS1300 CUSTOM (XVS1300CU)
Yamaha Motor Co., Ltd.
YAMAHA MOTOR EUROPE N.V.
Hansemannstraße 12, 41468 Neuss
Postfach 21 06 53, 41432 Neuss
Deutschland
https://global.yamaha-motor.com/
https://www.yamaha-motor.eu/de