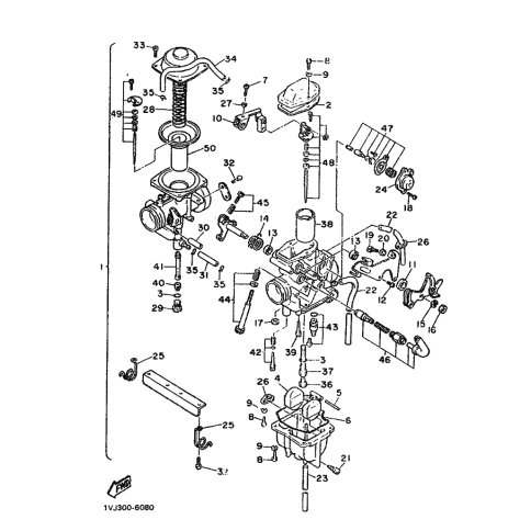
Artikelname: HAUPTDUSE (JET, MAIN (#145))
Hersteller: Yamaha
OEM Nummer: 288-14343-73 (2881434373)
Kategorien: Vergaser, Alternative Für Vergaser
2004
TT600RE (TT600RE)
2001
TT600R
1999
TT600R
1998
TT600E
1997
TT600R
1996
Raid (TT250R RAID)
TY250Z
1995
TT250R
Raid (TT250R RAID)
TY250Z
TT600S
1994
TY250Z
TY250 (TY250Z)
TT600E
1993
TT600S
TY250 (TY250Z)
1991
TY250 (TY250R)
1990
TENERE (XT600Z)
1988
TENERE (XT600Z)
TY250R
1986
XT600Z
TY250R
XT600ZS
Yamaha Motor Co., Ltd.
YAMAHA MOTOR EUROPE N.V.
Hansemannstraße 12, 41468 Neuss
Postfach 21 06 53, 41432 Neuss
Deutschland
https://global.yamaha-motor.com/
https://www.yamaha-motor.eu/de