Artikelname: DECKEL 1 (COVER 1)
Hersteller: Yamaha
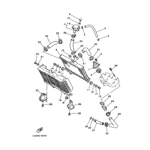
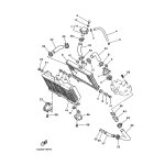
OEM Nummer: 29L-1246A-00 (29L1246A00)
Kategorien: Kühler & Schlauch
1986
RD350LC
Yamaha Motor Co., Ltd.
YAMAHA MOTOR EUROPE N.V.
Hansemannstraße 12, 41468 Neuss
Postfach 21 06 53, 41432 Neuss
Deutschland
https://global.yamaha-motor.com/
https://www.yamaha-motor.eu/de