Artikelname: KETTENKASTEN (CASE, CHAIN)
Hersteller: Yamaha
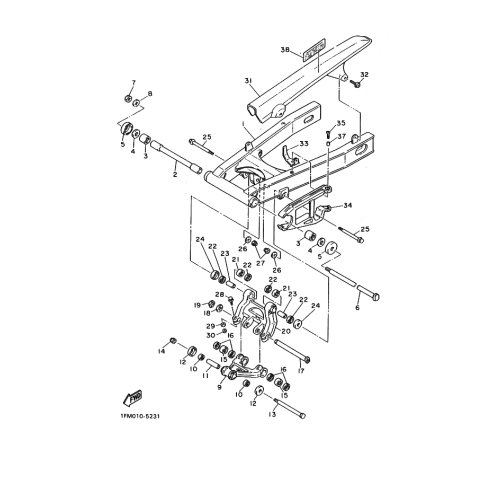
OEM Nummer: 29L-22311-00 (29L2231100)
Kategorien: Heck, Hinterer Arm
1992
RD350
1991
SRX250
FZ750
RD350
1990
FZ750
1989
FZ750
1988
RD350LC
FZ750
FZ600
1987
FZ750T
FZ750
FZ750 T
1986
RD350LC
RD350LCF
RZ350S
FZ600
FZ750
1985
FZ750
RD350LC
Yamaha Motor Co., Ltd.
YAMAHA MOTOR EUROPE N.V.
Hansemannstraße 12, 41468 Neuss
Postfach 21 06 53, 41432 Neuss
Deutschland
https://global.yamaha-motor.com/
https://www.yamaha-motor.eu/de