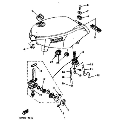
Artikelname: KRAFTSTOFFHAHN 1 (FUEL COCK ASSY 1)
Hersteller: Yamaha
OEM Nummer: 29L-24500-02 (29L2450002)
Kategorien: Tank
1985
RD350LC
Yamaha Motor Co., Ltd.
YAMAHA MOTOR EUROPE N.V.
Hansemannstraße 12, 41468 Neuss
Postfach 21 06 53, 41432 Neuss
Deutschland
https://global.yamaha-motor.com/
https://www.yamaha-motor.eu/de