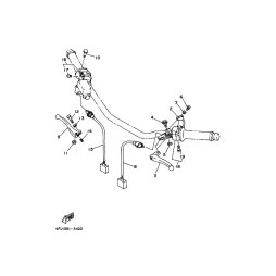
Artikelname: BREMSHEBEL
Hersteller: Yamaha
OEM Nummer: 29U257260100
Dieser Artikel wurde durch folgenden ersetzt: 1NU257260000
Yamaha Motor Co., Ltd.
YAMAHA MOTOR EUROPE N.V.
Hansemannstraße 12, 41468 Neuss
Postfach 21 06 53, 41432 Neuss
Deutschland
https://global.yamaha-motor.com/
https://www.yamaha-motor.eu/de