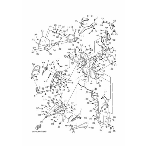
Artikelname: KAROSSERIE, VERKLEIDUNG 2 (BODY, COWLING 2)
Hersteller: Yamaha
OEM Nummer: 2CM-F8377-00-AL (2CMF837700AL)
Kategorien: Abdeckung
2017
TRICITY 125 (MWS125-A)
TRICITY 125 (MWS125-C)
Yamaha Motor Co., Ltd.
YAMAHA MOTOR EUROPE N.V.
Hansemannstraße 12, 41468 Neuss
Postfach 21 06 53, 41432 Neuss
Deutschland
https://global.yamaha-motor.com/
https://www.yamaha-motor.eu/de