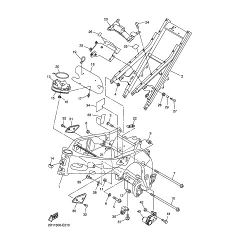
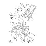
Artikelname: RAHMEN KOMPL (FRAME COMP)
Hersteller: Yamaha
OEM Nummer: 2D1-21110-00-P0 (2D12111000P0)
Kategorien: Rahmen
2007
FAZER (FZ1-S)
FAZER NAKED (FZ1-N)
2006
FAZER (FZ1-S)
FAZER NAKED (FZ1-N)
Yamaha Motor Co., Ltd.
YAMAHA MOTOR EUROPE N.V.
Hansemannstraße 12, 41468 Neuss
Postfach 21 06 53, 41432 Neuss
Deutschland
https://global.yamaha-motor.com/
https://www.yamaha-motor.eu/de