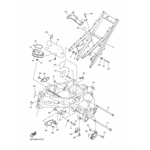
Artikelname: RAHMEN KOMPL (FRAME COMP)
Information: MBL2
Hersteller: Yamaha
OEM Nummer: 2D1-21110-42-P0 (2D12111042P0)
Kategorien: Rahmen
2011
FAZER NAKED ABS (FZ1-NA)
FAZER 8 ABS (FZ8-SA)
Yamaha Motor Co., Ltd.
YAMAHA MOTOR EUROPE N.V.
Hansemannstraße 12, 41468 Neuss
Postfach 21 06 53, 41432 Neuss
Deutschland
https://global.yamaha-motor.com/
https://www.yamaha-motor.eu/de