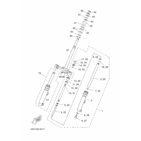
Artikelname: GABELBEIN (RECHTS) (FRONT FORK ASSY (R.H))
Hersteller: Yamaha
OEM Nummer: 2DK-F3103-00 (2DKF310300)
Kategorien: Gabel
2013
NEO'S EASY (YN50E)
Yamaha Motor Co., Ltd.
YAMAHA MOTOR EUROPE N.V.
Hansemannstraße 12, 41468 Neuss
Postfach 21 06 53, 41432 Neuss
Deutschland
https://global.yamaha-motor.com/
https://www.yamaha-motor.eu/de