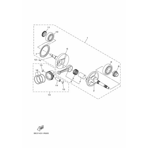
Artikelname: PLEUELSTANGENGRUPPE (CONNECTING ROD ASSY)
Hersteller: Yamaha
OEM Nummer: 2DP-E1650-00 (2DPE165000)
Kategorien: Kurbelwelle & Kolben
2018
TRICITY 155 (MWS150-A)
2016
TRICITY 155 (MWS150-A)
Yamaha Motor Co., Ltd.
YAMAHA MOTOR EUROPE N.V.
Hansemannstraße 12, 41468 Neuss
Postfach 21 06 53, 41432 Neuss
Deutschland
https://global.yamaha-motor.com/
https://www.yamaha-motor.eu/de