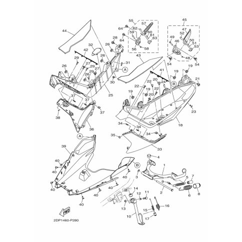
Artikelname: FORMTEIL, SEITENDECKEL 1 (MOLE, SIDE COVER 1)
Hersteller: Yamaha
OEM Nummer: 2DP-F171L-00-P0 (2DPF171L00P0)
Kategorien: Ständer & Fussraste
2017
NMAX 125 (GPD125-A)
2015
NMAX 125 (GPD125-A)
Yamaha Motor Co., Ltd.
YAMAHA MOTOR EUROPE N.V.
Hansemannstraße 12, 41468 Neuss
Postfach 21 06 53, 41432 Neuss
Deutschland
https://global.yamaha-motor.com/
https://www.yamaha-motor.eu/de