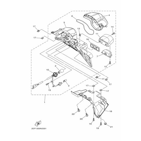
Artikelname: ZULASSUNGS. LEUCHTE KOMPL (LICENCE LIGHT ASSY)
Hersteller: Yamaha
OEM Nummer: 2EP-H4740-00 (2EPH474000)
Kategorien: Rücklicht
2014
D'ELIGHT (XC115S)
Yamaha Motor Co., Ltd.
YAMAHA MOTOR EUROPE N.V.
Hansemannstraße 12, 41468 Neuss
Postfach 21 06 53, 41432 Neuss
Deutschland
https://global.yamaha-motor.com/
https://www.yamaha-motor.eu/de