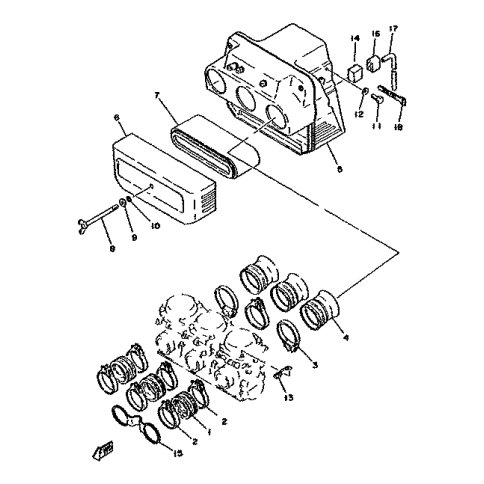
Artikelname: ELEMENT, LUFTFILTER (ELEMENT, AIR CLEANER)
Hersteller: Yamaha
OEM Nummer: 2F3-14451-00 (2F31445100)
Kategorien: Einlass
1979
XS750
Yamaha Motor Co., Ltd.
YAMAHA MOTOR EUROPE N.V.
Hansemannstraße 12, 41468 Neuss
Postfach 21 06 53, 41432 Neuss
Deutschland
https://global.yamaha-motor.com/
https://www.yamaha-motor.eu/de