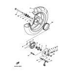
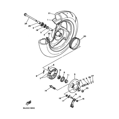
Artikelname: PLATTE, BREMSANKER (????,??????)
Information: ????
Hersteller: Yamaha
OEM Nummer: 2GM-25121-00-35 (2GM251210035)
Kategorien: Vorderrad, Allgemein
1997
JOG (CY50)
1996
JOG (CY50)
YJ50SP
1995
JOG APRIO (YJ50SP)
1994
JOG APRIO (YJ50)
JOG (CY50)
JOGPOCHE (CY50H)
JOGPOCHE (CY50HS)
1993
JOGPOCHE (CY50H)
1992
JOGPOCHE (CY50H)
Yamaha Motor Co., Ltd.
YAMAHA MOTOR EUROPE N.V.
Hansemannstraße 12, 41468 Neuss
Postfach 21 06 53, 41432 Neuss
Deutschland
https://global.yamaha-motor.com/
https://www.yamaha-motor.eu/de