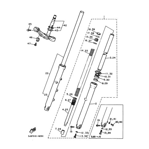
Artikelname: KOLBEN, VORDERRADGABEL (PISTON, FRONT FORK)
Hersteller: Yamaha
OEM Nummer: 2GV-23171-10 (2GV2317110)
Kategorien: Vordere Gabel
1994
VIRAGO (XV400)
Yamaha Motor Co., Ltd.
YAMAHA MOTOR EUROPE N.V.
Hansemannstraße 12, 41468 Neuss
Postfach 21 06 53, 41432 Neuss
Deutschland
https://global.yamaha-motor.com/
https://www.yamaha-motor.eu/de