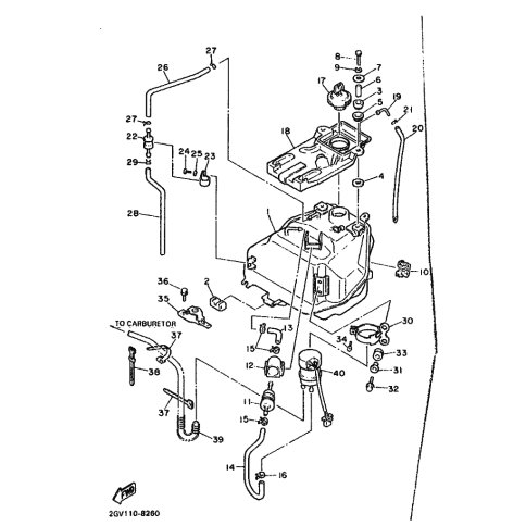
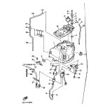
Artikelname: DAMPFUNGSLAGER 1 (DAMPER, LOCATING 1)
Hersteller: Yamaha
OEM Nummer: 2GV-24181-00 (2GV2418100)
Kategorien: Tank, Treibstofftank
2001
VIRAGO 535 (XV535)
2000
VIRAGO 535 (XV535)
1999
VIRAGO (XV535)
1998
VIRAGO (XV535)
1997
VIRAGO (XV535S)
VIRAGO (XV535)
1996
VIRAGO (XV535)
VIRAGO 535 (XV535)
VIRAGO (XV535S)
VIRAGO (XV500S)
VIRAGO (XV500)
1995
VIRAGO 535 (XV535)
VIRAGO (XV535)
VIRAGO (XV500S)
VIRAGO (XV500)
VIRAGO (XV535S)
1994
VIRAGO (XV535S)
VIRAGO (XV400)
VIRAGO (XV535)
XV535S
VIRAGO 535 (XV535S)
VIRAGO (XV500)
1993
VIRAGO (XV535)
VIRAGO (XV500)
1992
VIRAGO (XV535)
VIRAGO (XV500)
1991
VIRAGO (XV535)
VIRAGO 535 (XV535)
1990
VIRAGO (XV535)
1989
VIRAGO (XV535)
VIRAGO 535 (XV535)
1988
VIRAGO (XV535)
VIRAGO 535 (XV535)
Yamaha Motor Co., Ltd.
YAMAHA MOTOR EUROPE N.V.
Hansemannstraße 12, 41468 Neuss
Postfach 21 06 53, 41432 Neuss
Deutschland
https://global.yamaha-motor.com/
https://www.yamaha-motor.eu/de