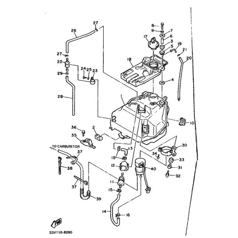
Artikelname: ROHR 3 (PIPE 3)
Hersteller: Yamaha
OEM Nummer: 2GV-24313-00 (2GV2431300)
Kategorien: Tank
1988
VIRAGO (XV535)
VIRAGO 535 (XV535)
Yamaha Motor Co., Ltd.
YAMAHA MOTOR EUROPE N.V.
Hansemannstraße 12, 41468 Neuss
Postfach 21 06 53, 41432 Neuss
Deutschland
https://global.yamaha-motor.com/
https://www.yamaha-motor.eu/de