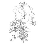
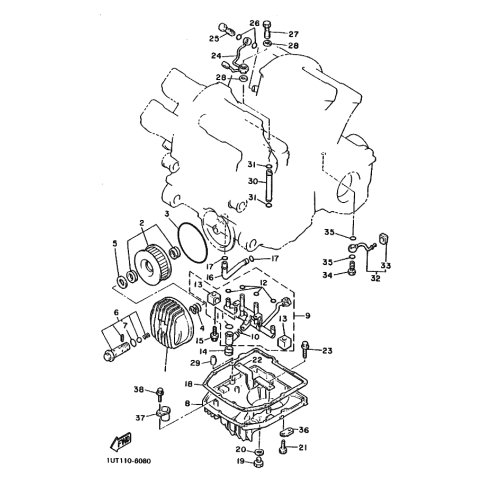
Artikelname: UMGEHUNGSVENTIL (BY-PASS VALVE ASSY)
Hersteller: Yamaha
OEM Nummer: 2H7-13340-00 (2H71334000)
Kategorien: Ölfilter, Ölreiniger
1994
VMAX 1200 (VMX12)
1993
VMAX 1200 (VMX12)
VMAX 1200 (VMAX12)
1992
VMAX 1200 (VMX12)
VMX1200
1991
VENTURE ROYAL (XVZ13TD)
VMAX 1200 (VMX12)
VMAX 1200 (VMAX12)
1990
VENTURE ROYAL (XVZ13TD)
VMAX 1200 (VMX12)
VMAX 1200 (VMAX12)
1989
VENTURE ROYAL (XVZ13TD)
1988
VENTURE ROYAL (XVZ12TD)
VMX1200
Yamaha Motor Co., Ltd.
YAMAHA MOTOR EUROPE N.V.
Hansemannstraße 12, 41468 Neuss
Postfach 21 06 53, 41432 Neuss
Deutschland
https://global.yamaha-motor.com/
https://www.yamaha-motor.eu/de