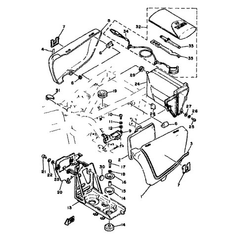
Artikelname: DRAHTSEIL, HAKEN (WIRE, HOOK)
Hersteller: Yamaha
OEM Nummer: 2H7-2814A-00 (2H72814A00)
Kategorien: Seitendeckel
1980
XS1100G
Yamaha Motor Co., Ltd.
YAMAHA MOTOR EUROPE N.V.
Hansemannstraße 12, 41468 Neuss
Postfach 21 06 53, 41432 Neuss
Deutschland
https://global.yamaha-motor.com/
https://www.yamaha-motor.eu/de