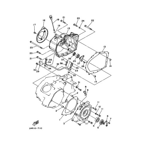
Artikelname: THERMO, SCHALTER (THERMO SWITCH ASSY)
Hersteller: Yamaha
OEM Nummer: 2HR-82560-10 (2HR8256010)
Kategorien: Kurbelgehäusedeckel
1993
BIG BEAR 350 (YFM350FW)
1992
BIG BEAR 350 (YFM350FW)
1991
BIG BEAR 350 (YFM350FW)
1990
BIG BEAR 350 (YFM350FW)
1989
BIG BEAR 350 (YFM350FW)
Yamaha Motor Co., Ltd.
YAMAHA MOTOR EUROPE N.V.
Hansemannstraße 12, 41468 Neuss
Postfach 21 06 53, 41432 Neuss
Deutschland
https://global.yamaha-motor.com/
https://www.yamaha-motor.eu/de