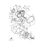
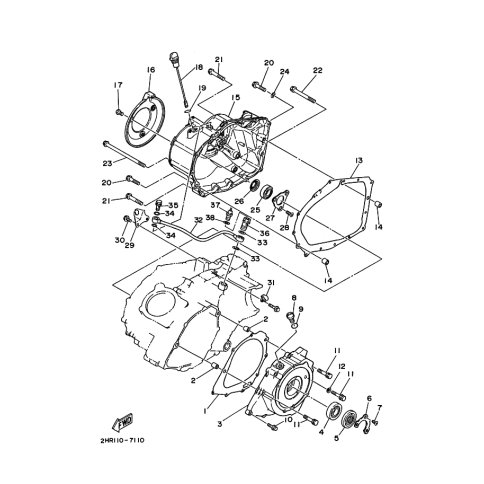
Artikelname: THERMO, SCHALTER (THERMO SWITCH ASSY)
Hersteller: Yamaha
OEM Nummer: 2HT-82560-10 (2HT8256010)
Kategorien: Kurbelgehäusedeckel, Elektrik 1
1998
WOLVERINE 350 (YFM350FW-X)
1997
BIG BEAR 350 (YFM350U)
WOLVERINE 350 (YFM350FW-X)
1996
YFM350FW
BIG BEAR 350 (YFM350U)
BIG BEAR 350 (YFM350FW)
1995
BIG BEAR 350 (YFM350FW)
MOTO 4 - 350 (YFM350ER)
1994
BIG BEAR 350 (YFM350FW)
1993
MOTO 4 - 350 (YFM350ER)
BIG BEAR 350 (YFM350)
Yamaha Motor Co., Ltd.
YAMAHA MOTOR EUROPE N.V.
Hansemannstraße 12, 41468 Neuss
Postfach 21 06 53, 41432 Neuss
Deutschland
https://global.yamaha-motor.com/
https://www.yamaha-motor.eu/de