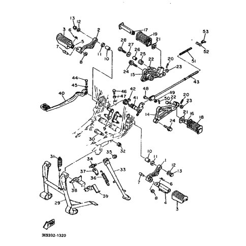
Artikelname: BREMSPEDAL (PEDAL, BRAKE)
Hersteller: Yamaha
OEM Nummer: 2J2-27211-00 (2J22721100)
Kategorien: Ständer & Fussraste
1991
SR500
Yamaha Motor Co., Ltd.
YAMAHA MOTOR EUROPE N.V.
Hansemannstraße 12, 41468 Neuss
Postfach 21 06 53, 41432 Neuss
Deutschland
https://global.yamaha-motor.com/
https://www.yamaha-motor.eu/de