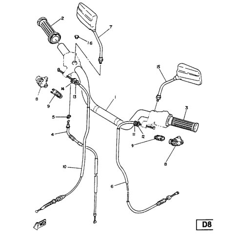
Artikelname: KUPPLUNGSSEIL (CABLE, CLUTCH)
Hersteller: Yamaha
OEM Nummer: 2JW-F6335-10 (2JWF633510)
Kategorien: Lenker, Griff & Kabel
1988
SR125
Yamaha Motor Co., Ltd.
YAMAHA MOTOR EUROPE N.V.
Hansemannstraße 12, 41468 Neuss
Postfach 21 06 53, 41432 Neuss
Deutschland
https://global.yamaha-motor.com/
https://www.yamaha-motor.eu/de