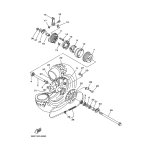
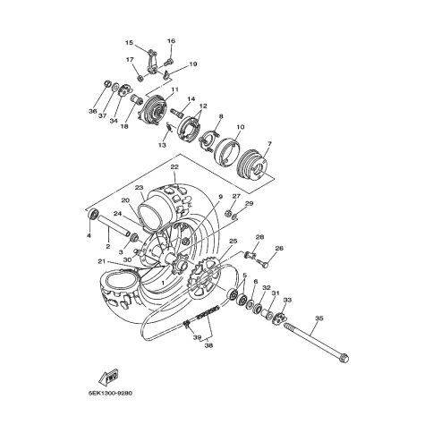
Artikelname: PLATTE, BREMSANKER (PLATE, BRAKE SHOE)
Hersteller: Yamaha
OEM Nummer: 2JX-25321-02-35 (2JX253210235)
Kategorien: Hinterrad
2001
TW125 (TW125)
TW125
2000
TW125
1999
TW125
Yamaha Motor Co., Ltd.
YAMAHA MOTOR EUROPE N.V.
Hansemannstraße 12, 41468 Neuss
Postfach 21 06 53, 41432 Neuss
Deutschland
https://global.yamaha-motor.com/
https://www.yamaha-motor.eu/de